Produse Noi
PMRV-50 CUTIE DE VITEZE PENTRU MOTOR ELECTRIC MS80 (0.55-0.75KW) RAPORT 7.5:1
Descriere suplimentară:
| motor electric | cutie de viteze | cuplu de ieșire M2 [Nm] | factor de siguranță - SF |
|---|---|---|---|
| 0.55kW (MS80) | RV-50 | 24 | 2.9 |
| 0.75kW(MS80) | 33 | 2.1 |
Descriere:
Cutii de viteze PMRV sunt utilizate în combinație cu motoare electrice.
Cutia de viteze reduce revoluțiile motorului electric la valoarea cu care dorim să operăm. Cutii de viteze au diferite rapoarte 7.5:1 - 10:1 - 20:1 - 40:1.
Când instalați cutia de viteze, asigurați-vă întotdeauna că:
- datele de pe placa de identificare corespund datelor articolului comandat
- carcasa și axele sunt curate și nedeteriorate
- suprafața la care este atașată cutia de viteze este plată și suficient de puternică
- cutia de viteze și axa motorului electric se potrivesc bine
- dacă există posibilitatea de vibrații sau blocaje, trebuie instalat un limitator de cuplu
- părțile rotative sunt acoperite cu capace din plastic
- dispozitivul utilizat în aer liber trebuie să fie protejat corespunzător împotriva vremii
- condițiile de operare nu cauzează coroziune (cu excepția cazului în care s-a convenit anterior și cutia de viteze și motorul electric sunt pregătite corespunzător)
- roțile dințate, roțile axelor, axele de intrare/ieșire sunt asigurate corespunzător pentru a evita sarcini radiale sau axiale care nu depășesc limita maximă admisă
- toate cuplajele sunt acoperite cu material anticoroziv pentru a preveni oxidarea la contact
- toate șuruburile de fixare trebuie să fie strânse bine
Toate calculele se bazează pe motoare electrice cu 1400 revoluții. Dacă utilizați un motor electric cu o viteză diferită de 1400 revoluții pe minut, împărțiți revoluțiile de intrare la raportul cutiei de viteze pentru a obține revoluțiile de ieșire.
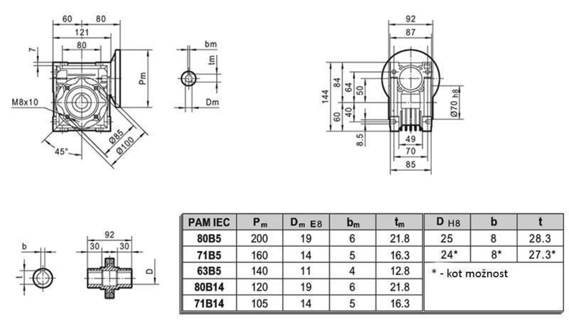
Mai multe date tehnice pot fi găsite în atașamentul 'DIMENSIUNI - FISA TEHNICĂ'.







