Produse Noi
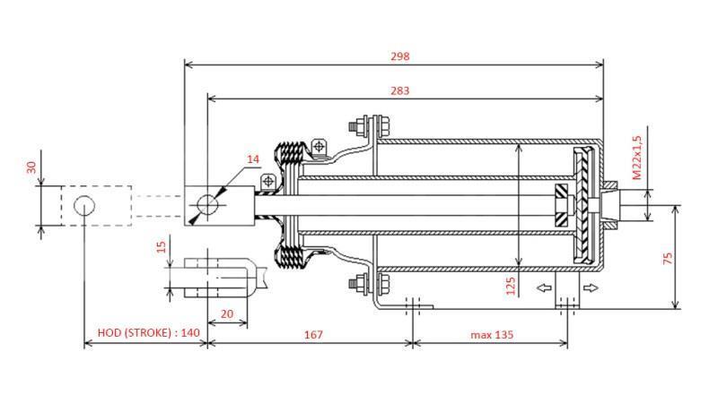
CILINDRU DE FRÂNĂ PE AER - MEMBRANĂ 125 MM
Cod produs:
13342
OEM:
9990000093922
Rata impozitului
22 %
Preț fără TVA:
275,92 RON
Preț cu TVA:
336,63 RON
Ref:
11
Description:
Cilindru de frână cu piston universal, proiectat pentru frânarea pneumatică. Utilizat în remorci agricole, horticole, forestiere și de construcție, camioane, împrăștietori, rezervoare de nămol, pulverizatoare și alte echipamente care au un sistem de frânare pneumatic.
Compatibil cu remorci:
Tehnostroj, DAF, Krone, Scania, RVI, MB, MAN, Autosan Sanok: D-35, D-47, D-50 D-732, HL 8011, HL 6011.
Furnizor:
Polonia
Returnare sau schimbare:
14 zile
dimensiunile distanței orificiilor de montaj:
135 mm / fi 13 mm
greutatea produsului:
3.60 kg
Garanție:
6 luni
Filete:
M22x1.5
diametru:
125 mm
curse cilindru:
140 mm







