Nové položky
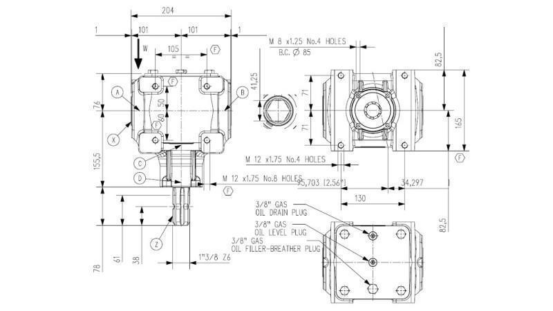
UHLOVÁ PREVODOVKA TB-27J 1,46:1 (40HP-29,4kW)
Kód
100139
OEM
9990000024704
Sadzba dane
22 %
Cena bez DPH:
313,11 EUR
Cena s DPH
382,00 EUR
Ref:
6
Vrátenie alebo výmena:
14 dní
otáčanie reduktora:
ľavá/pravá (v závislosti od inštalácie reduktora)
kód výrobcu:
9.267.872.10
Zaťaženie:
40 HP (29.4 kW)
výstupná hriadeľ:
hriadeľ 30 mm
typ reduktora:
TB-27J (uhlový prevod)
mazivo:
olej SAE 90 1.1 litra musí byť pridaný do reduktora.
vstupná hriadeľ:
kardan (1”3/8 – 6 zubov)


.jpg)
.jpg)
.jpg)



