Nové položky
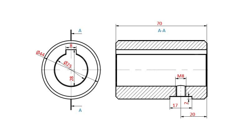
REDUKČNÉ PUZDRO PRE HYDROMOTOR MP-MR 25x70x10
Kód
12937
OEM
9990000082254
Sadzba dane
22 %
Cena bez DPH:
12,30 EUR
Cena s DPH
15,00 EUR
Ref:
40
Dodávateľ:
Poľsko
Vrátenie alebo výmena:
14 dní
Hmotnosť produktu:
0.54 kg
Záruka:
6 mesiacov
Materiál:
variabilná oceľ






