Nye artikler
PROPORTIONALSTYRINGSVENTIL FOR TRAKTORS FRONTLASTER - OPEN CENTER LVM92 EHP
| Teknisk informasjon | |
|
Leverandør: |
Türkiye |
|
Retur eller bytte: |
14 dager |
|
Garanti: |
6 måneder |
|
Type: |
ÅPEN SENTER |
|
Arbeidstrykk: |
250 bar |
|
Nominalt flow: |
90 l/min |
|
Tilkoblinggjenge: |
1/2" |
|
Antall seksjoner: |
2 |
Beskrivelse
LVM92-EHP er en monoblokkventil designet for traktorens frontlastere, som tilbyr utmerkede proporsjonale driftskarakteristikker og enkel installasjon. Den har flowrater på opptil 90 l/min og arbeidstrykk på opptil 250 bar.
Ventilen gir fullstendig elektroproporsjonal kontroll, inkludert flytefunksjonen, uavhengig av belastning og driftsforhold.
Settet inkluderer ventilen, en proporsjonal kontrolljoystick og elektrisk ledningsnett.
Bruksområde

For riktig systemdrift, følg nøye alle trinnene nedenfor:
- Foreta tilkoblingen som vist ovenfor.
- Sørg for at den hydrauliske akkumulatoren er korrekt tilkoblet.
- Kontroller at inntakstrykket ikke overstiger 250 bar.
- Sørg for at det nominelle flowet er 90 l/min.
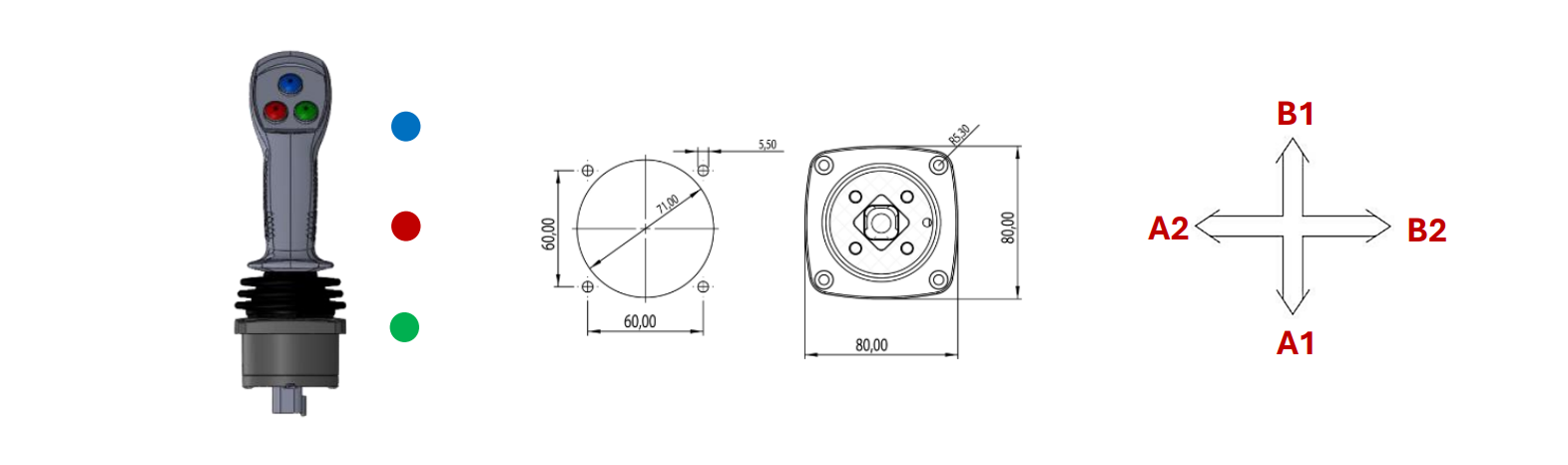
- Kontroller at tilkoblingene på portene B1, A1, A2 og B2 er riktig koblet.
- Sørg for at drenerings- (lekkasje-) ledningen er riktig tilkoblet.
- Kontroller at T (tank) og P (trykk) ledningene er tilkoblet og fungerer korrekt.

- Hvis du har to ventiler i den hydrauliske linjen, koble carry-over utgangen fra den første ventilen til trykkinntaket på den andre ventilen.
- Hvis bare én ventil brukes, koble carry-over utgangen fra ventilen direkte til tanken.


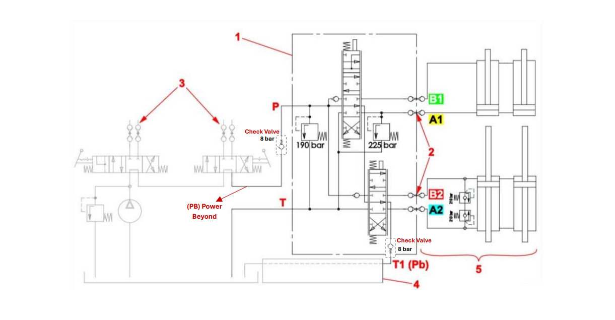
Diagrammet viser et ÅPEN SENTER hydraulikksystem:
1. Proporsjonalventil (LVM92 EHP) på høyre side av tilkoblingsflensen.
2. Grensesnitt for traktorens frontlaster.
3. Hydrauliske ventiler som allerede er installert på traktoren kan brukes for andre forbrukere.
4. Andre ventiler eller hjelpeventiler.
5. Traktorens frontlaster.
Tre hydraulikkledninger (P, T1, T) kobler den ÅPEN SENTER proporsjonalventilen til traktorens hydraulikksystem:
- P – trykkledning
- T – retuledning (tank)
- T1 – trykkoverføring (Power Beyond – "PB") + 8 bar fjærbelastet tilbakeslagsventil

Koble ventilen som vist ovenfor:
- Sørg for at systemspenningen er 12 V.
- Kontroller at strømkabelen er korrekt tilkoblet.
- Systemet må inkludere en kjedekabel og en 120-ohms motstand.
- Etter å ha koblet til joysticken, sørg for at ACAS LED-ene lyser grønt.
- Kontroller at alle kabler er sikkert og riktig tilkoblet.

- BLÅ knapp: 6/2 styreventil (momentary knapp)
- RØD knapp: flytefunksjon (sperreknapp)
- GRØNN knapp: sakte/hurtig (sperreknapp)
Flytefunksjon: Beveg joysticken i B1 (senke) retningen. Mens joysticken er i B1-posisjon, trykk på flyteknappen (FLOAT) for å aktivere flytemodus. Advarsel: Utfør ikke denne operasjonen når lasteren er løftet for høyt.









