Nye artikler
VINKEL GIRKASSE LF-205J 1:1.92 (30HP-22KW)
Kode:
11401
OEM:
9990000019540
Skattesats
22 %
Pris uten MVA:
1.847,14 NOK
Pris med MVA:
2.253,51 NOK
Ref:
69
Retur eller bytte:
14 dager
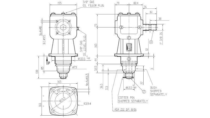
rotasjon av reduktor:
høyre
produsentkode:
9.205.805.00
Belastning:
30 HP (22.0 kW)
utgang aksel:
flens for sveising av skiven
type reduktor:
LF-205J (vinkeldrift)
smøremiddel:
olje SAE 90 0,8 liter må tilsettes reduseren.
inngang aksel:
kardan (1”3/8 – 6 tenner)


.jpg)
.jpg)
.jpg)


