Nye artikler
VINKEL GIRKASSE FOR SIRKULÆR VENSTRE
Kode:
10722
OEM:
9990000006434
Skattesats
22 %
Pris uten MVA:
1.499,69 NOK
Pris med MVA:
1.829,62 NOK
Ref:
10
Retur eller bytte:
14 dager
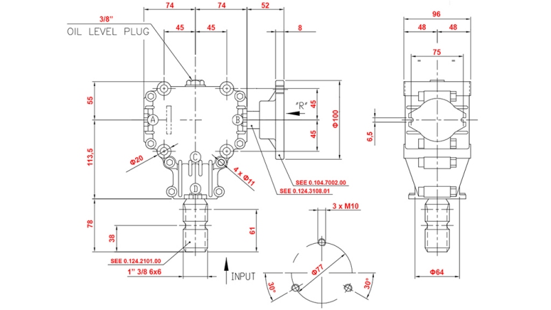
rotasjon av reduktor:
venstre
produsentkode:
9.124.872.60
Belastning:
15 HK (11 kW)
utgang aksel:
aksel 25mm med flens for remskive
type reduktor:
L-25J (vinkeloverføring)
smøremiddel:
det er nødvendig å helle SAE 90 olje 0,4 liter i reduseren.
inngang aksel:
kardan (1”3/8 – 6 tenner)








