Nye artikler
HYDRAULISK VENTIL HIAB 8XPC70 + 2X JOYSTICK - ELEKTRISK KONTROLL 12V
Kode:
12510
OEM:
9990000073139
Skattesats
22 %
Pris uten MVA:
11.047,51 NOK
Pris med MVA:
13.477,96 NOK
Ref:
9
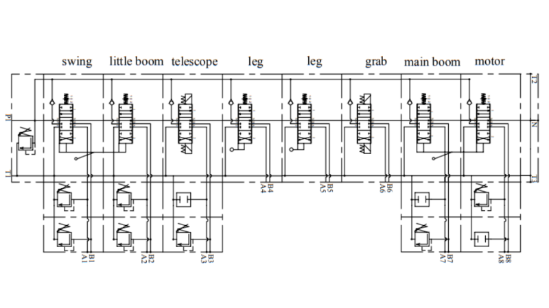
| Teknisk informasjon | |
| Leverandør: | Bulgaria |
| Retur eller bytte: | 14 dager |
| Garantiperiode: | 6 måneder |
| Nominell oljestrøm: | 70 l/min |
| Maks. oljestrøm: | 80 l/min |
| Arbeidstemperaturområde: | fra -20 °C til +60 °C |
| Koblingstråd: | A, B og P port 1/2", T port - 3/4" |
| Maks. trykk: | P port – 250 bar, T port - 50 bar, A og B port – 300 bar |
| Spoler: |
12/24 V - 60 W (på/av) |
| Vekt: |
32,3 kg |
Beskrivelse
PC70 er en stablebar (seksjonert) ventil designet for bruk på skogsvogner med kran (HIAB). Den tillater både mekanisk og elektronisk kontroll. Den hydrauliske ventilen består av åtte seksjoner.











