Nye artikler
HYDRAULISK PUMPE GR.2 HI-LO 22C3,5/6,5X815R
Kode:
13697
OEM:
9990000102327
Skattesats
22 %
Pris uten MVA:
3.009,29 NOK
Pris med MVA:
3.671,33 NOK
Ref:
1
Beskrivelse:
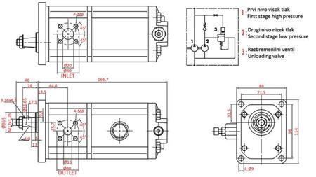
Hi-Low hydraulisk pumpe (High-Low, HL) brukes i systemer hvor høy og lavt trykk er nødvendig for drift. Dette betyr at de er ideelle for applikasjoner hvor langsom bevegelse er nødvendig under tunge laster og raskere bevegelse under lav last. Trykkventilen åpner ved 65 bar.
Leverandør:
Bulgaria
Retur eller bytte:
ikke mulig
cm/omdreininger:
foran: 3.5cm3, bak: 6.5cm3
Produktvekt:
5.60 kg
Garanti:
6 måneder
maks. omdreininger:
3000 rpm
max. trykk:
foran: 250 bar, bak: 70 bar










