Nye artikler
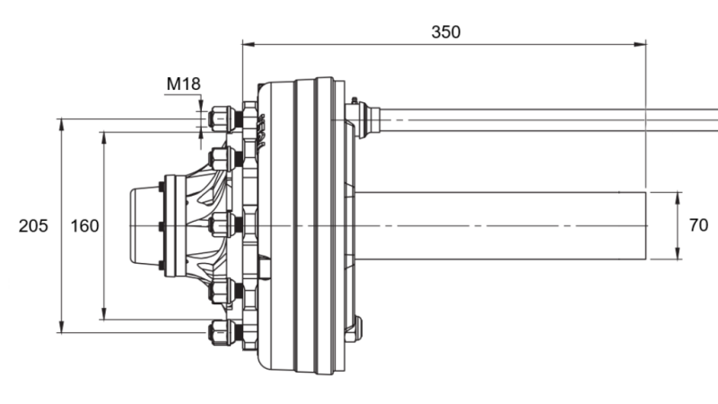
HALVAKSEL MED BREMSER - 3600 kg (6 SKRUE) - 350 mm
Kode:
14351
OEM:
9990000170227
Skattesats
22 %
Pris uten MVA:
2.256,88 NOK
Pris med MVA:
2.753,40 NOK
Ref:
10
| Teknisk informasjon | |
| Leverandør: |
Turkye |
| Retur eller bytte: |
14 dager |
| Garanti: |
6 måneder |
| Lengde: |
350 mm |
| Lastekapasitet: |
opptil 3600 kg |
| Aksel diameter: |
70 mm (kvadratisk) |
| Bremse dimensjoner: |
300 x 90 mm |
| Antall bolter: |
6 |
Beskrivelse
Stubakselen er beregnet for bruk på ulike typer tilhengere med bremsesystem. Stubakslens lengde er 250 mm, med en lastekapasitet på opptil 3600 kg.
Takket være robust konstruksjon og pålitelig design, egner den seg for bruk på laste- og arbeidsanheng, industrichassiser, transportrammer og andre tekniske løsninger der stabil og slitesterk hjulakselstøtte kreves.
Stubakselen tillater bruk av standard felger med seks bolter og muliggjør enkel montering.



%20-%203600%20kg%20-%20350%20mm.jpg)


