Nye artikler
MULTIPLIKATOR GR.3 - 1:3 - HAN-KOBLING (INNGANG) / HAN-KOBLING (UTGANG)
| Teknisk informasjon | |
| Leverandør: | Kina |
| Retur eller bytte: | 14 dager |
| Garanti: | 6 måneder |
| Girutveksling: | 1:3 |
| For hydraulikkpumper: | GR. 3 |
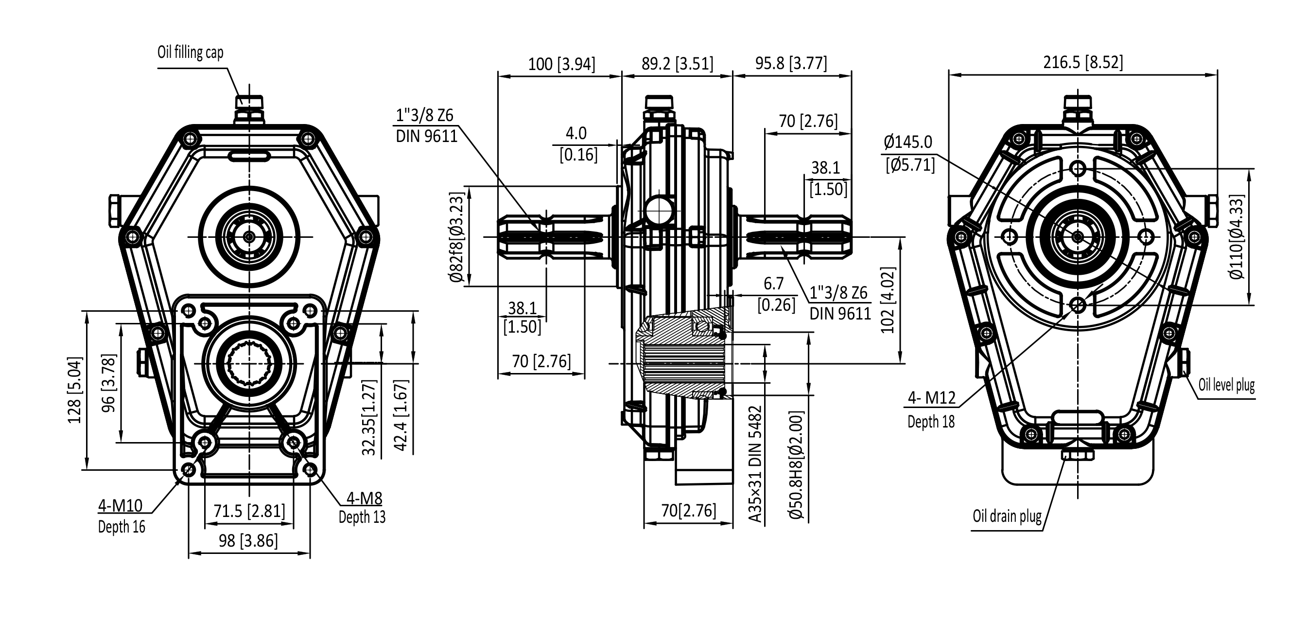
| Kobling: | PTO-aksel på begge sider - 1" 3/8 – 6 splines (hann) |
| Inngangshastighet: | 540 rpm |
| Inngangsmoment: | 49 daNm |
| Utgangshastighet: | 1620 rpm (max. 3000 rpm) |
| Utgangsmoment: | 16 daNm |
| Belastning: | opptil 20 kW |
| Produktvekt: | 8,3 kg |
| Girsmøremiddel: | SAE 90 olje |
MÅL

BRUKSANVISNING
1. Tiltenkt bruk
Girkassen er en mekanisk transmisjon som øker rotasjonshastigheten på utgående aksel og muliggjør drift av en hydraulisk tannhjulspumpe via traktorens PTO-akse.
Den brukes til å drive:
- hydrauliske kraftenheter,
- skogskranser,
- vedklyvere,
- annet hydraulisk utstyr.
2. Monteringsposisjon
Girkassen må installeres i riktig driftsposisjon for å sikre tilstrekkelig smøring av tannhjulene. Horisontal montering anbefales, slik at pumpen og girkassen er på linje horisontalt.
Viktig:
- girkassen må alltid monteres slik at oljen inne i huset er i kontakt med girutvekslingen,
- langvarig drift i invertert posisjon er ikke tillatt,
- girkassen må være mekanisk støttet (den må ikke bare henge i PTO-akslingen).
3. Rotasjonsretning
Før installasjon, kontroller rotasjonsretningen til PTO-akslingen og den nødvendige rotasjonsretningen til den hydrauliske pumpen.
Feil rotasjonsretning kan forårsake skade på pumpen, tetningsfeil og dårlig oljestrøm.
4. Oljesmøring
Girkassen må kontinuerlig smøres med olje innvendig i huset for å sikre korrekt drift av tannhjulene. Anbefalt smøremiddel er girolje SAE 90.
Girkassen må fylles med olje opp til kontrollnivået.
Før første bruk, fjern påfyllingspluggen, fyll enheten med olje opp til nivåmarkeringen og lukk pluggen.
Før hver bruk, kontroller oljenivået. Første oljeutskifting anbefales etter 50 driftstimer, og deretter hver 1500 driftstime eller én gang per år.
5. Driftstemperatur
Girkassens hus normale driftstemperatur ligger mellom 50 og 80°C. Hvis temperaturen overstiger 90°C, sjekk oljenivå, belastning og justering.
6. Vedlikehold og mulige problemer
| Problem | Mulig årsak | Løsning |
| Overoppheting | Utilstrekkelig oljenivå | Sjekk oljenivå |
| Støy | Slitte lagre | Service |
| Vibrasjoner | Feil justering | Sjekk installasjon |
| Oljelekkasje | Skadet tetning | Bytt tetning |









