Novi proizvodi
HIDRAULIČNI VENTIL P81 AUTOMATSKI ZA CJEPAČ
| Tehničke informacije | |
| Dobavljač: | Bugarska |
| Povrat ili zamjena: | 14 dana |
| Jamstvo: | 6 mjeseci |
| Nominani protok ulja: | 80 l/min |
| Hod vretena: | ± 7,9 mm |
| Radni temperaturni raspon: | od −40 °C do +60 °C |
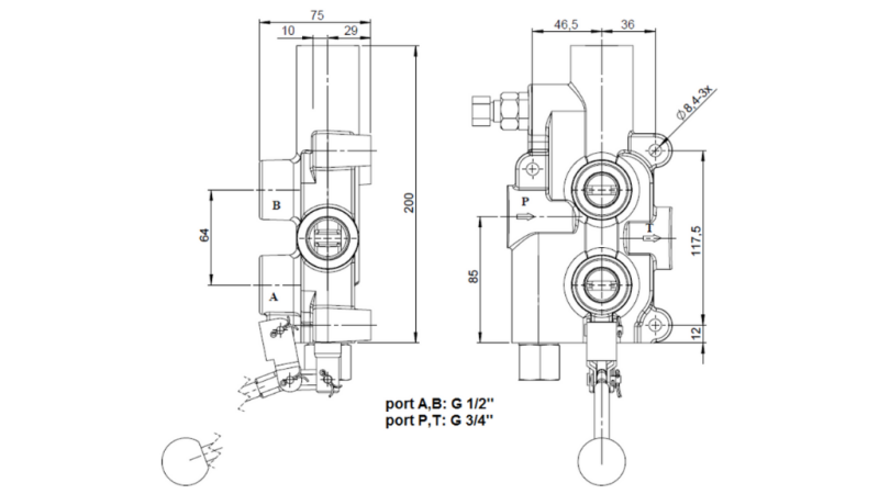
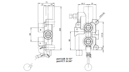
| Navoj priključka: | P i T priključak – 3/4", A i B priključak – 1/2" |
| Maks. pritisak: | P priključak – 250 bar, T priključak - 50 bar, A i B priključak – 300 bar |
| Sigurnosni ventil: | tvornicki podešen na 150 bar |
Opis
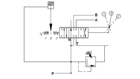
Hidraulički ventil P81 dizajniran je za uporabu na cjepačima drva. Posjeduje povrat opruge u jednom smjeru i sustav pritisnog izbacivanja u suprotnom smjeru, automatski vraćajući polugu u neutralni položaj. Ventil P81 također uključuje ručno podesivi sigurnosni ventil.
Čep pritisnog izbacivanja
Sustav pritisnog izbacivanja omogućuje otpuštanje poluge i njezin povratak u neutralni položaj. Kada se klip ručno pomakne u položaj pritisnog izbacivanja, ulje se usmjerava na odjeljak „B“. Kada tlak u odjeljku „B“ premaši zadanu vrijednost, čep pritisnog izbacivanja otpušta upravljačku polugu i vraća je u neutralni položaj. Tvornicka postavka funkcije izbacivanja je 70 bar.
UPOZORENJE: Ako je čep pritisnog izbacivanja postavljen na previsok tlak, poluga se neće vratiti u neutralni položaj. Ako je tlak postavljen prenisko, čep pritisnog izbacivanja neće držati polugu u položaju spremnom za izbacivanje.
Podesivi sigurnosni ventil – standardna tvornicka postavka sigurnosnog ventila je 150 bar.
Poluga ventila može biti orijentirana ili „gore“ ili „dolje“ ovisno o položaju montaže stroja. To se lako postiže rotiranjem poluge za 180°. Sve osovine su sigurno zaključane pomoću DIN 94 osigurača.












