Produits nouveaux
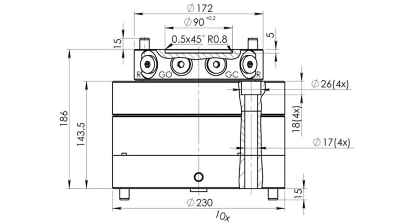
ROTATEUR HYDRAULIQUE CPR5-01 10000/5000 KG
Description:
'ROTATEUR HYDRAULIQUE CPR5-01 10000/5000 KG'
Le rotateur hydraulique pour grappins forestiers est un composant clé utilisé pour améliorer l'efficacité et la flexibilité dans la manipulation de charges lourdes telles que des troncs, des branches et d'autres matériaux. Ce rotateur est généralement conçu pour se fixer à l'extrémité d'un bras télescopique ou au sommet du grappin, permettant une rotation indépendante et une manipulation précise et un positionnement des charges.
Fonctionnement hydraulique : Le rotateur est alimenté par hydraulique, permettant une rotation facile et contrôlée du grappin. Le système hydraulique permet un contrôle précis de la vitesse et de la direction de rotation.
Rotation illimitée : L'une des principales caractéristiques du rotateur de grappin est sa rotation complète à 360 degrés. Cela signifie qu'il peut tourner dans n'importe quelle direction, facilitant ainsi le levage, le positionnement et le déchargement des matériaux dans diverses positions.
Haute capacité de charge statique et dynamique : Les rotateurs sont conçus pour gérer des charges lourdes, telles que de grands troncs ou plusieurs troncs à la fois.
Construction robuste : Étant donné les conditions d'exploitation exigeantes des équipements forestiers, la conception du rotateur est très robuste pour une durée de vie maximale.
Objectif : Le rotateur hydraulique pour grappins est un composant clé des équipements forestiers modernes qui améliore l'efficacité, la sécurité et la flexibilité dans la récolte et la manipulation du bois. Lors de la sélection d'un rotateur hydraulique, il est important de prendre en compte les besoins spécifiques de l'opération et de garantir la compatibilité avec l'équipement existant.









