Uued tooted
HÜDRAULIKAPUMP 00A1.5X033 GR.0 - 1,5cc - VASAK
Toote kood:
14762
OEM:
9990000178919
Maksumäär
22 %
Hind ilma KM-ta:
61,48 EUR
Hind koos KM-ga:
75,00 EUR
Ref:
2
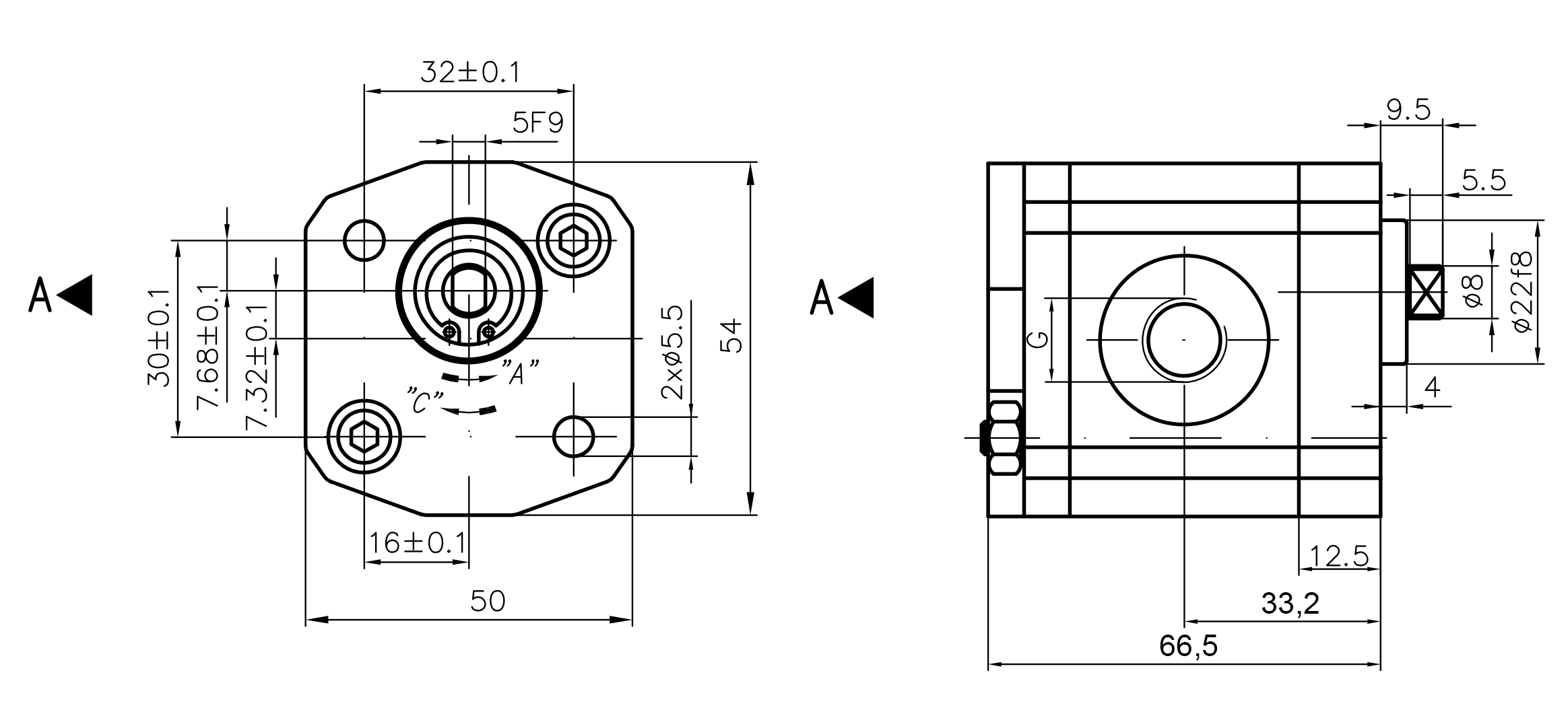
| Tehniline teave | |
| Tarnija: | Türgi |
| Tagastus või vahetamine: | Võimatu |
| Garantii: | 6 kuud |
| Mudel: | 00A1.5X033 |
| Pöörlemissuund: | Vasak (A) |
| Siisaldus (töömõõt): | 1,5 cm3/pööre |
| Suurus: | GR.0 |
| Kiirus: | maks. 2500 p/min |
| Sissepääsu/väljavoolu keere: | 1/4" (sisse- ja väljalaskeava) |
| Nimirrõhk: | 175 bar |
| Vooluhulk: | 2,1 l/min 1500 p/min juures ja 3,5 l/min maksimaalse juures |
Kirjeldus
Hüdraulikapumbad on iga hüdrosüsteemi võtmekomponent, kuna nad muudavad mehaanilise energia hüdrauliliseks energiaks. Neid kasutatakse paljudes rakendustes, nagu põllumajandusseadmed, ehitusmasinad, tööstusseadmed ja transpordisüsteemid.
Meie pakkumises leiate kõrgekvaliteedilised hammasratastega hüdraulikapumbad erinevates suurustes (GR), töömahutes ja konfiguratsioonides, mis tagavad usaldusväärse töö, pika kasutusea ja lihtsa paigalduse. Need tagavad stabiilse õlivoo, kõrge efektiivsuse ja minimaalsed kaod, aidates kaasa kogu süsteemi optimaalsele jõudlusele.
Mõõtmed










