Нови артикули
ХИДРАВЛИЧЕН РЪЧЕН АВАРИЕН КЛАПАН
Код:
13696
OEM:
9990000102310
Данъчна ставка
22 %
Цена без ДДС:
136,26 BGN
Цена с ДДС:
166,24 BGN
Ref:
3
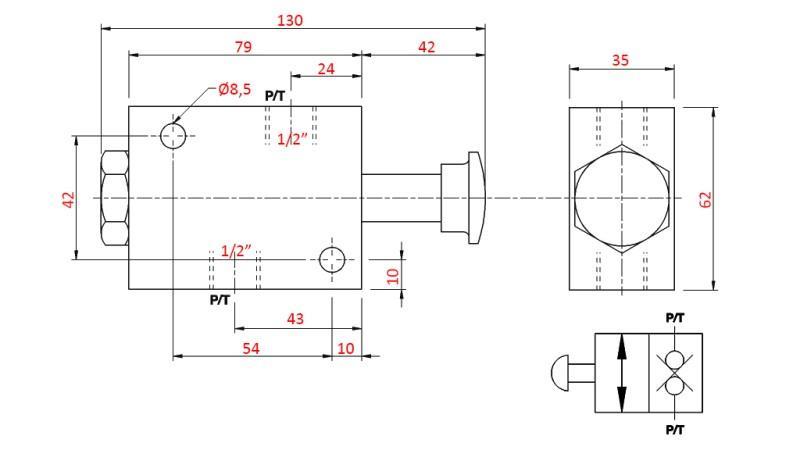
Описание:
Хидравличният ръчен аварийен клапан с плъзгач позволява потока на масло в хидравличната схема. Когато натиснете бутона, маслото тече от P към T или обратно. Обикновено се използва като безопасен клапан в хидравлични приложения.
Свържете P и T връзките към контролния клапан или хидравличната схема. Когато натиснете бутона, потокът е свободен; в противен случай, потокът е блокиран в двете посоки.
Доставчик:
Италия
Връщане или размяна:
14 дни
Тегло на продукта:
1.25 кг
Гаранция:
6 месеца
Резба:
1/2"
Макс. поток:
70 l/min
макс. налягане:
350 бара







